三(san)塊式焊(hàn)接球閥(fa) |
|
|
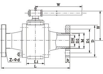
型号(hào):Q61F-160/320 口徑:DN10----DN100 壓(yā)力:16Mpa、32Mpa 溫度(dù):--40℃--350℃
設計(jì)标準:GB、API、DIN、JIS、ANSI……
|
三(san)塊式焊(hàn)接球閥(fa) |
|
|
型号(hào):Q61F-160/320 口徑:DN10----DN100 壓(yā)力:16Mpa、32Mpa 溫度(dù):--40℃--350℃
設計(jì)标準:GB、API、DIN、JIS、ANSI……
|
›
·